大元300F變頻器在沙鋸上的應用
發布時間:2020-08-20 12:51:17來源:

一、前言:
沙鋸在石材行業應用十分普遍。幾乎所有的石材加工企業,都需要沙鋸,具有加工速度快,產品質量高的優點。在沙鋸的運行中有三大問題是用戶一直致力解決的:
(1)如何提高大板質量和生產效率,降低損耗;
(2)如何節約高額的電費開支;
(3)如何延長沙鋸的使用壽命(檢修周期)。
原沙鋸電控系統存在的問題:
(1)由于目前設備的不完善性,設備速度無法調節,不能達到最好的生產效率。
(2)沙鋸電動機采用星/三角起動方式,切換時起動電流大,對設備和電網的沖擊大。
(3)設備速度不可平滑調節,加工工藝不能根據材料進行調整。
二、沙鋸變頻系統設計和工作原理
我公司采用最新的300F系列高性能矢量變頻器對沙鋸進行改造。通過調節電機運轉速度,使沙鋸在啟動時低速啟動,不會出現電流沖擊,保護設備。正常運轉時高速運轉,提高生產效率。生產即將結束時低速運轉,降低拉板幾率。停止或者緊急停止時采用剎車系統,縮短停止時間。使沙鋸在不同的工作狀態時達到最好的效果。
三、沙鋸變頻系統的解決方案與效果
1、方案:
(1)調速:在不改變原設備的操控方法之上,增加調速功能,啟動時按一次就可以了,不需要連續啟動;
(2)安全電網內網:浪涌電壓大幅度下降,浪涌電流明顯減少;電網外網:良好的末端工況最大程度地減輕外網負載;
(3)降耗降低原材料損耗,降低設備磨損;
(4)節能節約能源,減少電能消耗。
2、效果:
(1)設備原有操作系統與安全防護不變,使用變頻調速。實現根據材料不同材質不同工藝的方法進行加工切割,提高大板質量和生產效率。切料開始時,將速度調低,等鋸齒完全切進石頭時,再加速運行,這樣不容易出現跑刀,石板上不會出現波浪紋。切到最后十厘米的時候,將速度調低,不易拉板。切爛料或者石頭有裂縫時,將速度調低,同時調低下刀速度,速度慢了可以減小沖擊,石頭不易碎不易拉板,降低損耗。可助石材加工企業在技術上實現擁有自己獨特的加工工藝;
(2)通過變頻器來消化鋸板機工作過程中產生的瞬時浪涌電壓與浪涌電流,與不裝變頻器相比,設備啟動/切換、曲軸往復時內網浪涌和瞬變更少,其它設備顫動幾乎近無。直接減輕外網負載,保護用電安全;
(3)使變頻調速改善后的工藝能最大化減少原材料損耗,提高產出率,成本降低,提高競爭力。消除設備硬啟硬停,減輕傳動、運動部件磨損,速度線性調節,讓潤滑系統與傳動、運動部件同步熱身投入。從而延長設備使用壽命,減少大修次數,提高設備使用率;
(4)減少電能消耗,節約電費開支,降低生產成本提高贏利;
(5)維護簡單,本機采用防塵防腐蝕設計,無須進行特別保養。
四、沙鋸變頻調速改造應注意的問題:
(1)過電流問題:由于沙鋸具有很大的慣量,因此在啟動時電流比較大,所以在選型時應該將變頻器選擇比電機大一個功率等級;
(2)過電壓問題:由于該設備有電機通過皮帶鏈接飛輪,然后通過曲軸鏈接鋸片,飛輪在工作時產生再生電壓,造成變頻器過壓保護現象。應適當延長加減速時間或添加制動單元和制動電阻。
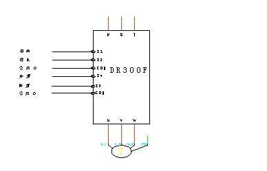
五、接線圖
控制電氣圖

六、結束語
綜上所述,變頻器在石材行業應用大有作為,是今后的技術發展方向,不僅是節能明顯,更主要是調節性能好,提高了產品的品質,增強了企業的競爭力。
