變頻器停機如何讓電機處于制動狀態
發布時間:2020-09-07 10:57:14來源:
變頻器驅動的電機類型多為普通的三相異步電機控制過程是開環的狀態,不像伺服驅動系統控制伺服電機是閉環過程,再加上如果負載較大,即使變頻器停機也會由于機械慣性往前繼續移動而不是立即停止。那如何能夠做到變頻器停止點擊停轉,我們需要從以下幾個方面進行分析:
1變頻器的介紹
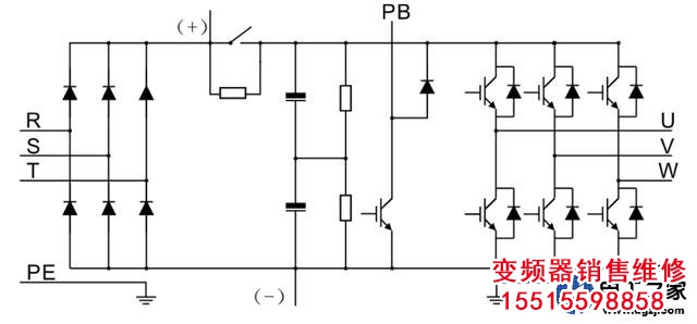
根據電機調速原理,我們知道轉速與電源的頻率呈比例關系,而工業電源是頻率固定的,因此需要變頻器進行頻率改變。它的主要功能是將工頻50Hz和380V電源改變成頻率和電壓可調節的輸出,原理很簡單先是通過整流裝置把標準的工業電轉換為直流電源,然后通過逆變器把直流電轉換為可調節的交流來驅動電機實現轉速變化。變頻器主電路原理簡圖如下,在電路中的電壓超過了最大限值時,制動管將把外部制動電阻連接到中間直流電路,消耗回饋的能量,這時往往變頻器停機后是負載較重,電機由原來的做功轉換為發電狀態導致。
2加減速設置
這是變頻器中比較重要的參數,作為一種電機軟啟動控制器,它在電機啟動和運行過程中對輸出頻率、電壓進行逐漸增加實現平滑啟動,降低啟動電流;在停止的時候逐漸減少使其穩定停止,另外就是在負載很大的情況下增加加減速時間能夠減少過電流的現象。加減速曲線一般有兩種:1,梯形或者直線曲線;2,S型曲線。直線型輸出頻率按照比例關系遞增或者遞減,S型則是按照S曲線進行遞增或者遞減相對來說過程比較緩慢常常用于對啟動、停機要求比較嚴格的如電梯、傳送帶等設備。對普通電機來講,采用加減速的方式進行啟動和停止控制無論對電機還是機械穩定都是很有必要的,如果在速度很高的情況下立即停轉,很有可能造成變頻器過載或是過電流保護引起故障,同時由于慣性會影響設備整體機械的穩定性。
3停機方式
對于變頻器來講有兩種停機方式,一是減速停車,二是自由停車。減速停車就是上面我們所講述的接受到命令后,按照減速方式以及定義的減速時間降低輸出頻率,當頻率減少為0的時候停機。自由停車是指接受到命令后,變頻器立即切斷電源輸出,負載電機依靠機械慣性進行減速停機。
4制動方式
除了變頻器的減速和自由停止外進制制動外,還有就是機械制動和電氣制動。機械制動最直接的方式電磁抱閘也成剎車一般安裝在電機尾軸,電磁抱閘在電機通電的時候線圈得電吸合,使得制動器與閘輪分開,電機正常旋轉;在停轉的時候抱閘線圈失電,制動器的閘瓦緊緊地抱住閘輪,電機被制動而停轉。這種一般用在起重機、行車、升降機等需要準確定位和安全保護的場合。電氣制動通常是變頻器中使用的如直流制動和能耗制動(制動電阻)。
根據上述幾個方面的分析,對于電機停轉處于制動狀態,要根據設備的要求特別是負載特點來選擇停機方式,如對于需要平緩、準確停機的設備,我們要采用減速的方式,設定一個減速點和停機點,感應到減速點的時候進行降頻處理,感應到停機點后切斷電機電源進行抱閘則立即停止。
