制氮機可以用變頻器控制嗎
發布時間:2020-09-07 10:57:02來源:
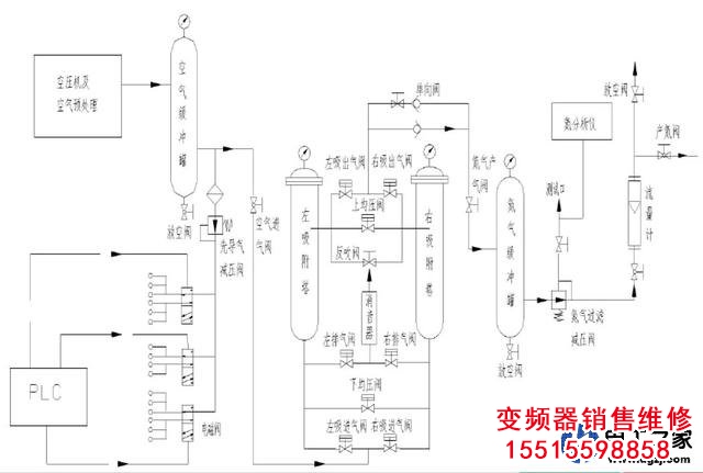
制氮機可以用變頻器控制系統,搭配PLC,儀器儀表,模擬量傳感器,氣動閥等就可以組成一套制氮機電氣系統。
一種能精確控制氮氣輸出純度和流量的制氮機,包括殼體和集成在殼體內部的氣源系統、冷卻系統、空氣緩沖系統、氣源處理系統、制氮系統、氮氣儲存系統、取樣系統、輸出系統,還包括控制整個制氮機運行的plc控制系統;所述氣源系統包括空氣壓縮機和與空氣壓縮機電性連接的變頻器,所述的變頻器連接并受控于plc控制系統。

制氮機的結構包括:
1、 壓縮空氣凈化系統:除去壓縮空氣中的塵埃、水和油,由三級過濾器、凍凍干燥機、高效除油器等組成。在抽壓空氣、干燥機、高效去油機這些設備的都是通過 PLC邏輯控制,變頻器進行調速控制啟停和轉速。
2、 空氣緩沖系統:保證氧氮分離系統用氣平穩,由空氣儲罐、閥門等組成。此過程中需要恒流量的運輸,需要變頻器控制。
3、 氧氮分離系統:制氮機設備的核心,通過變壓吸附技術實現氧氮分離,達到生產氮氣的目的,由兩個裝滿分子篩的吸附塔和自動控制閥門組成。
此過程中,實現氧氮分離需要用到變頻器控制壓縮機和分離機的轉速。
4、 氮氣緩沖系統:儲存氮氣,保證平穩、連續供給氮氣,由氮氣緩沖罐、閥門等組成。
此過程中連續供給,需要變頻器控制壓縮機保證連續運轉。
